Auch wenn wir es nicht mehr sehen, sobald der Motor geschlossen ist, füllt dieser Pfand kritische Funktionen:
Geometrische Ausrichtung: Es löscht das "Spiel" zwischen den Befestigungsschrauben und den Löchern des Gehäuses. Es garantiert, dass das linke Kurbelgehäuse und das rechte Gehäuse ein perfekt symmetrisches Set bilden.
Lagern Schutz: Durch die perfekte Ausrichtung beides Seiten vermeidet es, dass die Kurbelwelle nicht "durch" funktioniert. Eine schlechte Ausrichtung, auch ein Zehntel Millimeter, würde Ihre Lager in der Rekordzeit aufheizen und zerstören.
Abdichtung der Siegelebene: Durch das Verhinderung eines seitlichen, der von den Gehäusen zum Zeitpunkt des Klems gleitet, stellt sicher, dass die Dichtung (Papier oder Paste) gleichmäßig zerkleinert wird, wodurch die Lufteinlässe oder Öllecks vermieden wird.
Präzisionsbearbeitung: Aus gehärtetem Stahl verformt es sich nicht unter Druck und ermöglicht aufeinanderfolgende Demontage / Ungültig, ohne die Genauigkeit zu verlieren.
"Es ist das Stück, das wir einmal auf zwei am Arbeitsplatz vergessen! Hören Sie gut zu: Wenn Sie Ihren niedrigen Motor zurückgehen, haben Sie einen Bauern von 8x12 in Ihrer Eisenbahnbox, Sie starten sofort neu. Ohne diese Bauern wird Ihr Motor niemals ausgerichtet, und Sie werden Sie fragen, warum Sie Macht verlieren, oder warum Ihre Lager wachsen. Mein kleiner Tipp: Bevor Sie schließen, prüft, dass es sich entschuldigt, dass sie sich für ihre Unterkunft entschuldigen. Und wenn ein Bauer markiert oder abgeflacht ist, weil es eingeklemmt ist, werfen Sie es und setzen Sie einen neuen, kostet es dreimal! "
Standort: Die Bauern sind im Allgemeinen an den beiden gegenüberliegenden Enden der Gehäuse (oft in der Nähe der Zylinderbolzen oder am Boden des Blocks) angeordnet.
Reinigung: Stellen Sie sicher, dass die Empfangsbrunnen in den Aluminiumgehäusen vollkommen sauber sind. Ein kleiner, der unten ausgefüllt ist, kann den Bauern verhindern, dass der Bauer hinuntergeht und eine tödliche zusätzliche Dicke erzeugen.
Einfügen: Der Bauer muss in das erste Kurbelgehäuse Fett eingeben. Wenn es auch zwingt, tippen Sie nicht als Taube: Reinigen Sie das Loch mit Benzin.
Montage: Präsentieren Sie das zweite Halb-Kurbelgehäuse. Die Bauern müssen die Montage führen. Sobald die Gehäuse angebracht sind, sollten sie nicht mehr voneinander gleiten können, bevor Sie die Schrauben sogar einsetzen.
Maße: Durchmesser 8 mm / Länge 12 mm
Material: Hochpräzise gerichteter Stahl
Kompatibilität: Alle Motoren Rotax Max (Micro, Mini, Junior, Senior, Master, DD2)
Notiz MagickArt: Einzeln verkauft. Ein Motor Rotax Normalerweise erfordert 2 Stück Für eine vollständige Ausrichtung des niedrigen Motors.
Kolben TM Racing 10085 Repräsentiert die Elite der Motortechnologie für KZ-Kategorien. Speziell für die letzten Generationen von Motoren (KZ10C bis R2), dieses Modell an Flacher Himmel (null Grad) ist die absolute Waffe, um die Verbrennung zu optimieren. Ausgestattet mit einem Änderter Segment von 0,8 mmEs reduziert die innere Reibung drastisch, was mit hoher Geschwindigkeit mehr Leistung freigibt.
Die Ventilkastenabdeckung (oder Ansaugförderer) von 29 mm ist die wichtigste technische Entwicklung der X30-Motoren seit 2018. Zwischen dem Vergaser und der Pyramide von Ventilen ist es, das Venengas aerodynamisch "leiten". Sein 29 mm Innenkanal ist perfekt auf die neuen Vergaser ausgerichtet, wodurch die Turbulenz für mehr Frank-Beschleunigung und maximale Motorfüllung entfernt wird.
Das spiel von 0,30 mm Faserventile ist der Standard für MODIENISIERUNGEN Iame. Im Gegensatz zu starrerer Kohlenstoff, der starrer ist, bietet das Fiberglas in 0,30 mm eine hervorragende Reaktivität der Öffnung, die das erheblich fördert Paar bei niedrigem und mittlerer Geschwindigkeit. Es ist die ideale Wahl für Wickelbahnen, in denen die Wiederbelebung der Wendeausgabe von entscheidender Bedeutung ist, oder für Piloten, die eine stabilere und weniger empfindliche Kocherschaft suchen.
Die Komplette Klappenkiste mit Kohleklappen ist für Kart-Motoren konzipiert IME X30 und Ka100. Schlüsselelement des Einlasssystems, es erlaubt es Regulieren Sie den Luft-Kraftstoff-Fließen Eingabe des Motors, um die Reaktion auf die Beschleunigung und die Gesamtleistung zu optimieren.
Deckelventilbox (Förderer 27 mm) x30 AV.2017
Die Volle Geschmackskiste Iame ist das Organ, das den Eingang der Luft-Benzin-Mischung im niedrigen Motor reguliert. Dieses Set enthält den Kästchenhalter (Pyramide), hochwertige Fiberglasklappen, Anschläge und Fixierhardware. Speziell für IAME-Motoren konzipiert, sorgt er gewährleistet eine vollständige Abdichtung in der Kompressionsphase und der maximalen Öffnung, wenn sie für eine optimale Zylinderfüllung eingeleitet wird.
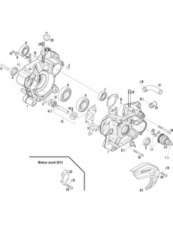
Die Vollständiges Kurbelgehäuse Rotax Schwarz (Ref. 296161) Repräsentiert das interne Chassis Ihres Motors. Entwickelt für Versionen Evo Und die nach 2014 hergestellten Modelle, dieses Paar Gehäuse (rechte und linke Seite), hat eine hochfeste schwarze Oberflächenbehandlung. Sie werden in der Fabrik zusammen bearbeitet, um eine perfekte Ausrichtung und Übertragungswellen der Kurbelwelle zu gewährleisten, wodurch eine optimale Leistung und eine erhöhte Langlebigkeit gewährleistet werden.
Die Carter Pion 8 x 12 (Ref. 229444) ist eine gleichgerichtete zylindrische Führungshülse, die zwischen dem jeweils zwei Halbkurbelgehäuse liegt. Seine Rolle ist es, ein sicherzustellen Strenger Ausrichtung zwei Teile des Blocks während der Montage. Ohne diese Bauern wäre es unmöglich, zu garantieren, dass die Gehäuse der Kurbelwellenlager perfekt von Angesicht zu Angesicht sind, was für die Gesundheit Ihres Motors von entscheidender Bedeutung ist.